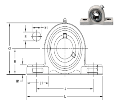
COD. S2/QB4 ENVIO INMEDIATO, DIMENSIONES: FLECHA d=1 7/16″ h=1 7/8” e=5” a=6 9/16” b=1 7/8” CHUMACERA DE PISO 2 TORNILLOS CAJA PLASTICA BLANCA PARA INDUSTRIA ALIMENTICIA CON RODAMIENTO ACERO INOXIDABLE, EQUIVALENTE: SKF SYKW 1 3/8 YTH, DODGE 127505 P2B-SCEZ-107-PCR, ECO S-UCPPL207-23W, OBD SPUCP-207-23, TRANSLINK UCPP-207-23, ECO SUCPPL207-23, Ver Ficha Técnica Aquí
Como lo compro? Ver Aquí
PRECIO PARA DISTRIBUIDOR USD 37.13 NETO.



